Серия Д30
Гидромоторы серии Д30 представляют собой планетарные реверсивные гидромашины, в которых крутящий момент передается от героторной пары через подвижный кардан на выходной вал. Вал, в свою очередь, выполняет функцию распределителя рабочей жидкости к соответствующим полостям героллера. Гидромоторы серии Д30 предназначены для привода небольших механизмов с крутящим моментом от 10 до 45 Нм и частотой вращения до 1900 об/мин. Благодаря своей конструкции они имеют небольшие размеры и малую массу. В линейке планетарных гидромоторов серия Д30 классифицируется как «микро».
Варианты исполнения
По рабочему объему:
- cерия Д30: 8, 12.5, 20, 32, 40 и 50 см3.
По размеру присоединительных отверстий:
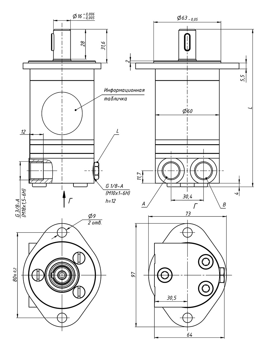
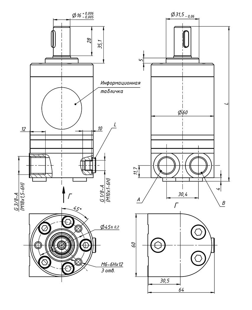
- резьбовыми отверстиями для подвода жидкости G3/8 и дренажным отверстием G1/8 (исполнение не обозначается);
- резьбовыми отверстиями для подвода жидкости М18×1,5 и дренажным М10×1 (исполнение −01).
Допускаются другие варианты присоединительных отверстий по согласованию с потребителем.
Допускаются другие варианты расположения присоединительных портов по согласованию с потребителем.
По диаметру выходного вала:
- с цилиндрическим валом Ф16 мм и призматической шпонкой (исполнение не обозначается).
Допускаются другие варианты валов по согласованию с потребителем.
По способу установки гидромотора:
- крепление с использованием монтажных резьбовых отверстий в корпусе гидромотора (исполнение не обозначается);
- крепление с помощью овального фланца с двумя отверстиями (в обозначении указывается буква Ф).
Структура условного обозначения
| 1 | 2 | 3 | 4 | 5 | 6 | 7 | 8 |
|---|---|---|---|---|---|---|---|
| Д30 | Х | . | ХХ | . | ХХ | - | XX |
Где:
- 1 — серия гидромотора (Д30 – героторный с золотниковым распределителем, серия «микро»);
- 2 — способ крепления гидромотора (без индекса - с использованием монтажных резьбовых отверстий в корпусе, Ф - овальный фланец с двумя отверстиями);
- 3 — разделитель – точка;
- 4 — исполнение вала, (без индекса – цилиндрический Ф16 мм с призматической шпонкой);
- 5 — разделитель - точка;
- 6 — рабочий объем, см.куб. (8, 12.5, 20, 32, 40, 50);
- 7 — разделитель – тире;
- 8 — исполнение резьбы присоединительных портов (без индекса – G 3/8 линии А и В, G 1/8 дренажная линия; -01 – М18х1,5 линии А и В, М1х1 дренажная линия).
| Наименование показателя | Нормы для исполнения гидромоторов | |||||
|---|---|---|---|---|---|---|
| 8 | 12,5 | 20 | 32 | 40 | 50 | |
| Рабочий объем, см3 | ||||||
| 8,2 | 12,9 | 20 | 31,8 | 40 | 50 | |
| Максимальная частота вращения, об/мин | ||||||
| постоянная | 1930 | 1532 | 990 | 624 | 495 | 396 |
| кратковременная | 2415 | 1920 | 1238 | 782 | 619 | 495 |
| Минимальная частота вращения, об/мин | ||||||
| 50 | 40 | 30 | 30 | 25 | 20 | |
| Максимальный крутящий момент, Нм | ||||||
| постоянный | 10,7 | 15,7 | 24,5 | 39,2 | 40,1 | 44,1 |
| кратковременный | 14,7 | 22,5 | 34,3 | 55,8 | 55,8 | 78,4 |
| Максимальная мощность, кВт | ||||||
| постоянная | 1,8 | 2,4 | 2,4 | 2,4 | 1,8 | 1,7 |
| кратковременная | 2,6 | 3,1 | 3,1 | 3,1 | 3,0 | 2,0 |
| Максимальный перепад давления на входе и выходе, МПа | ||||||
| постоянный | 10,0 | 10,0 | 10,0 | 10,0 | 8,0 | 7,0 |
| кратковременный | 14,0 | 14,0 | 14,0 | 14,0 | 11,0 | 9,0 |
| Максимальный расход, л/мин | ||||||
| постоянный | 16 | 20 | 20 | 20 | 20 | 20 |
| кратковременный | 20 | 25 | 25 | 25 | 25 | 25 |
| Максимальное давление на входе, МПа | ||||||
| постоянное | 14,0 | 14,0 | 14,0 | 14,0 | 14,0 | 14,0 |
| кратковременное | 17,5 | 17,5 | 17,5 | 17,5 | 17,5 | 17,5 |
| Масса, кг | ||||||
| 2,0 | 2,1 | 2,2 | 2,3 | 2,4 | 2,6 | |
| Габаритные размеры (без фланца), мм | ||||||
| длина | 143,3 | 145,3 | 148,3 | 153,3 | 156,8 | 160,8 |
| ширина | 64 | 64 | 64 | 64 | 64 | 64 |
| высота | 60 | 60 | 60 | 60 | 60 | 60 |
Гидравлическая схема
Габаритные и присоединительные размеры гидромоторов серии Д30
Соответствие зарубежным аналогам
| Дозатор-плюс | Danfoss | M+S | THOT (ZiHYD) |
|---|---|---|---|
| Д30 | OMM | MMS | BMM |
| Д30Ф | OMM | MMFS | - |
