Серия Д12
Гидромоторы серии Д12 представляют собой планетарные реверсивные гидромашины, в которых крутящий момент передается от героллерной пары (с роликами) через подвижный кардан на выходной вал. Вал установлен на конических упорных подшипниках, способных воспринимать значительные осевые и радиальные нагрузки от рабочего органа. Распределение рабочей жидкости производится с помощью дискового золотника. Гидромоторы серии Д12 представляют собой увеличенные аналоги гидромоторов серии Д07, способных работать на больших расходах рабочей жидкости и развивать более высокие крутящие моменты.
Варианты исполнения
По рабочему объему:
- cерия Д12: 160, 200, 250, 315, 400, 500, 630 и 725 см3.
По размеру присоединительных отверстий:
- резьбовыми отверстиями для подвода жидкости G3/4 и дренажным отверстием G1/4 (исполнение не обозначается);
- резьбовыми отверстиями для подвода жидкости М27×1,5 и дренажным М14×1,5 (исполнение −01).
Допускаются другие варианты присоединительных отверстий по согласованию с потребителем.
По диаметру выходного вала:
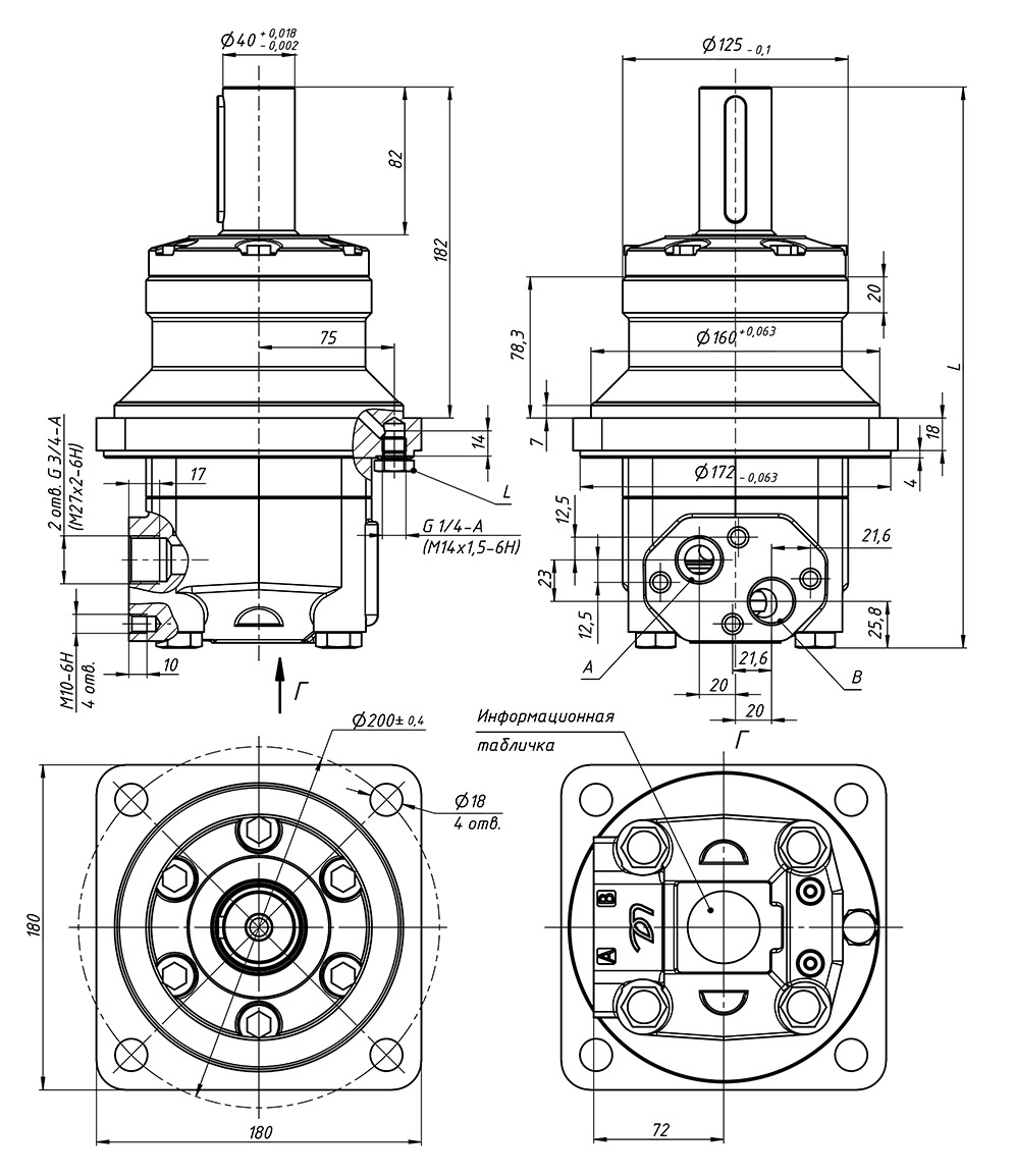
- с цилиндрическим валом Ф40 мм и призматической шпонкой (исполнение не обозначается);
- с коническим валом Ф45 конусностью 1:10 и призматической шпонкой (в обозначении указывается буква К);
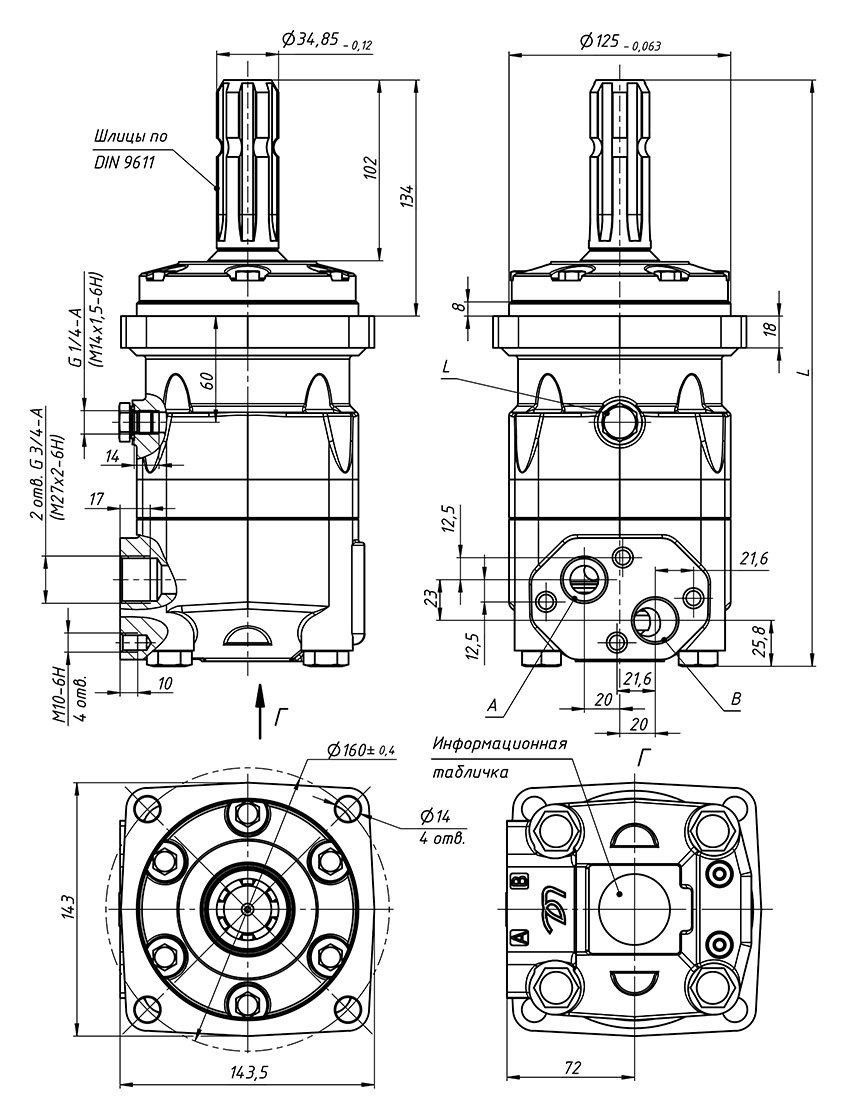
- со шлицевым валом Ф34,85 по DIN 9611 (в обозначении указывается SL).
Допускаются другие варианты валов по согласованию с потребителем.
По способу установки гидромотора:
- крепление гидромотора с помощью квадратного фланца с четырьмя отверстиями (исполнение не обозначается);
- крепление с помощью квадратного увеличенного фланца «колесного» монтажа с четырьмя отверстиями (в обозначении указывается буква В).
Структура условного обозначения
| 1 | 2 | 3 | 4 | 5 | 6 | 7 | 8 |
|---|---|---|---|---|---|---|---|
| Д12 | Х | . | ХХ | . | ХХХ | - | XX |
Где:
- 1 — серия гидромотора (Д12 – героллерный с дисковым распределителем, «тяжелая» серия);
- 2 — способ крепления гидромотора (без индекса – квадратный фланец с четырьмя отверстиями; В – квадратный увеличенный фланец с четырьмя отверстиями, «колесный» монтаж);
- 3 — разделитель – точка;
- 4 — исполнение вала, (без индекса – цилиндрический Ф40мм с призматической шпонкой, К – конический Ф45 с призматической шпонкой, SL – шлицевый вал Ф34,85 по DIN 9611);
- 5 — разделитель - точка;
- 6 — рабочий объем, см.куб. (160, 200, 250, 315, 400, 500, 630, 725);
- 7 — разделитель – тире;
- 8 — исполнение резьбы присоединительных портов (без индекса – G 3/4 линии А и В, G 1/4 дренажная линия; -01 – М27х2 линии А и В, М14х1,5 дренажная линия).
| Наименование показателя | Нормы для исполнения гидромоторов | |||||||
|---|---|---|---|---|---|---|---|---|
| 160 | 200 | 250 | 315 | 400 | 500 | 630 | 725 | |
| Рабочий объем, см3 | ||||||||
| 161,1 | 201,4 | 251,8 | 326,3 | 410,9 | 523,6 | 631,2 | 724,3 | |
| Максимальная частота вращения, об/мин | ||||||||
| постоянная | 619 | 619 | 495 | 376 | 302 | 238 | 195 | 162 |
| кратковременная | 722 | 742 | 594 | 455 | 356 | 282 | 232 | 197 |
| Минимальная частота вращения, об/мин | ||||||||
| 10 | 9 | 8 | 7 | 6 | 5 | 5 | 5 | |
| Максимальный крутящий момент, Нм | ||||||||
| постоянный | 460 | 578 | 715 | 931 | 1058 | 1195 | 1352 | 1500 |
| кратковременный | 548 | 695 | 862 | 1117 | 1234 | 1342 | 1519 | 1685 |
| Максимальная мощность, кВт | ||||||||
| постоянная | 26,2 | 33,2 | 33,2 | 33,2 | 29,7 | 26,2 | 24,0 | 20,0 |
| кратковременная | 31,6 | 39,6 | 39,6 | 39,6 | 34,7 | 29,7 | 27,2 | 26,5 |
| Максимальный перепад давления на входе и выходе, МПа | ||||||||
| постоянный | 20,0 | 20,0 | 20,0 | 20,0 | 18,0 | 16,0 | 14,0 | 12,0 |
| кратковременный | 24,0 | 24,0 | 24,0 | 24,0 | 21,0 | 18,0 | 16,0 | 14,0 |
| Максимальный расход, л/мин | ||||||||
| постоянный | 100 | 125 | 125 | 125 | 125 | 125 | 125 | 125 |
| кратковременный | 125 | 150 | 150 | 150 | 150 | 150 | 151,4 | 151,4 |
| Максимальное давление на входе, МПа | ||||||||
| постоянное | 21,0 | 21,0 | 21,0 | 21,0 | 21,0 | 21,0 | 21,0 | 21,0 |
| кратковременное | 25,0 | 25,0 | 25,0 | 25,0 | 25,0 | 25,0 | 25,0 | 25,0 |
| Масса, кг | ||||||||
| 20,0 | 20,5 | 21,0 | 22,0 | 23,0 | 24,0 | 23,5 | 24,5 | |
| Габаритные размеры, мм | ||||||||
| длина | 304 | 309 | 315 | 325 | 335 | 349 | 345 | 354 |
| ширина | 143,5 | 143,5 | 143,5 | 143,5 | 143,5 | 143,5 | 143,5 | 143,5 |
| высота | 143 | 143 | 143 | 143 | 143 | 143 | 143 | 143 |
Гидравлическая схема
Габаритные и присоединительные размеры гидромоторов серии Д12
Соответствие зарубежным аналогам
| Дозатор-плюс | Danfoss | M+S | THOT (ZiHYD) |
|---|---|---|---|
| Д12 | OMT | MT | BM4 |
| Д12В | OMTW | MTW | BM4W |
