Серия Д11
Гидромоторы серии Д11 представляют собой планетарные реверсивные гидромашины, в которых крутящий момент передается от героллерной пары через подвижный кардан на выходной вал. Вал, в свою очередь, выполняет функцию распределителя рабочей жидкости к соответствующим полостям героллера. По конструкции серия Д11 аналогична серии Д09. Основным отличием является «колесный» способ монтажа, позволяющий при необходимости перенести точку приложения радиальной нагрузки за монтажную поверхность в сторону корпуса, что позволяет при такой компоновке прилагать увеличенную радиальную нагрузку на выходной вал.
Варианты исполнения
По рабочему объему:
- cерия Д11: 50, 80, 100, 125, 160, 200, 250, 315 и 400 см3.
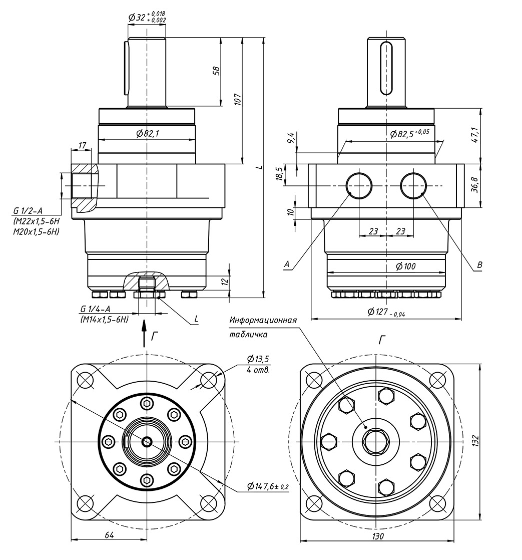
По размеру присоединительных отверстий:
- резьбовыми отверстиями для подвода жидкости G1/2 и дренажным отверстием G1/4 (исполнение не обозначается);
- резьбовыми отверстиями для подвода жидкости М22×1,5 и дренажным М14×15,5 (исполнение −01);
- резьбовыми отверстиями для подвода жидкости М20×1,5 и дренажным М14×1,5 (исполнение −02).
Допускаются другие варианты присоединительных отверстий по согласованию с потребителем.
По диаметру выходного вала:
- с цилиндрическим валом Ф32 мм и призматической шпонкой (исполнение не обозначается);
- с коническим валом Ф35 конусностью 1:10 и призматической шпонкой (в обозначении указывается буква К).
Допускаются другие варианты валов по согласованию с потребителем.
Структура условного обозначения
| 1 | 2 | 3 | 4 | 5 | 6 | 7 | 8 |
|---|---|---|---|---|---|---|---|
| Д11 | . | XX | . | ХХХ | - | XX |
Где:
- 1 — серия гидромотора (Д11 – героторный с золотниковым распределителем, «колесного» монтажа);
- 2 — разделитель – точка;
- 3 — исполнение вала, (без индекса – цилиндрический Ф32 мм с призматической шпонкой, К – конический Ф35 с призматической шпонкой);
- 4 — разделитель - точка;
- 5 — рабочий объем, см.куб. (50, 80, 100, 125, 160, 200, 250, 315, 400);
- 6 — способ установки вала-золотника (без индекса – на радиальных игольчатых подшипниках);
- 7 — разделитель – тире;
- 8 — исполнение резьбы присоединительных портов (без индекса – G 1/2 линии А и В, G 1/4 дренажная линия; -01 – М22х1,5 линии А и В, М14х1,5 дренажная линия; -02 – М20х1,5 линии А и В, М14х1,5 дренажная линия).
| Наименование показателя | Нормы для исполнения гидромоторов | ||||||||
|---|---|---|---|---|---|---|---|---|---|
| 50 | 80 | 100 | 125 | 160 | 200 | 250 | 315 | 400 | |
| Рабочий объем, см3 | |||||||||
| 50 | 80 | 100 | 125 | 160 | 200 | 250 | 315 | 400 | |
| Максимальная частота вращения, об/мин | |||||||||
| постоянная | 767 | 742 | 594 | 470 | 371 | 297 | 296 | 238 | 188 |
| кратковременная | 1018 | 930 | 742 | 595 | 465 | 371 | 356 | 282 | 223 |
| Минимальная частота вращения, об/мин | |||||||||
| 10 | 10 | 10 | 10 | 10 | 10 | 10 | 10 | 10 | |
| Максимальный крутящий момент, Нм | |||||||||
| постоянный | 98 | 195 | 235 | 294 | 382 | 440 | 529 | 539 | 596 |
| кратковременный | 127 | 210 | 274 | 334 | 420 | 490 | 597 | 675 | 676 |
| Максимальная мощность, кВт | |||||||||
| постоянная | 6,9 | 12,3 | 12,8 | 12,3 | 11,3 | 10,9 | 9,9 | 8,9 | 7,7 |
| кратковременная | 8,4 | 14,8 | 14,8 | 14,3 | 13,8 | 12,8 | 11,8 | 9,9 | 10,5 |
| Максимальный перепад давления на входе и выходе, МПа | |||||||||
| постоянный | 14,0 | 17,5 | 17,5 | 17,5 | 17,5 | 17,5 | 17,5 | 13,5 | 11,0 |
| кратковременный | 17,5 | 20,0 | 20,0 | 20,0 | 20,0 | 20,0 | 20,0 | 17,5 | 14,0 |
| Максимальный расход, л/мин | |||||||||
| постоянный | 40 | 60 | 60 | 60 | 60 | 60 | 75 | 75 | 75 |
| кратковременный | 50 | 75 | 75 | 75 | 75 | 75 | 90 | 90 | 90 |
| Максимальное давление на входе, МПа | |||||||||
| постоянное | 17,5 | 17,5 | 17,5 | 17,5 | 17,5 | 17,5 | 17,5 | 17,5 | 17,5 |
| кратковременное | 20,0 | 20,0 | 20,0 | 20,0 | 20,0 | 20,0 | 20,0 | 20,0 | 20,0 |
| Масса, кг | |||||||||
| 9,6 | 9,7 | 9,8 | 10,0 | 10,3 | 10,8 | 11,3 | 11,8 | 12,5 | |
| Габаритные размеры, мм | |||||||||
| длина | 215 | 220 | 223,5 | 227,5 | 233,5 | 240,5 | 249,5 | 260,5 | 270,5 |
| ширина | 132 | 132 | 132 | 132 | 132 | 132 | 132 | 132 | 132 |
| высота | 130 | 130 | 130 | 130 | 130 | 130 | 130 | 130 | 130 |
Гидравлическая схема
Габаритные и присоединительные размеры гидромоторов серии Д11
Соответствие зарубежным аналогам
| Дозатор-плюс | Danfoss | M+S | THOT (ZiHYD) |
|---|---|---|---|
| Д11 | OMRW N | RW | BMRW |
