Серия Д10
Гидромоторы серии Д10 представляют собой планетарные реверсивные гидромашины, в которых крутящий момент передается от героторной пары через подвижный кардан на выходной вал. Вал, в свою очередь, выполняет функцию распределителя рабочей жидкости к соответствующим полостям геротора. По конструкции серия Д10 аналогична серии Д06. Основным отличием является «колесный» способ монтажа, позволяющий при необходимости перенести точку приложения радиальной нагрузки за монтажную поверхность в сторону корпуса, что позволяет при такой компоновке прилагать увеличенную радиальную нагрузку на выходной вал.
Варианты исполнения
По рабочему объему:
- cерия Д10: 25, 32, 40, 50, 80, 100, 125, 160, 200, 250, 315, 400 и 500 см3.
По размеру присоединительных отверстий:
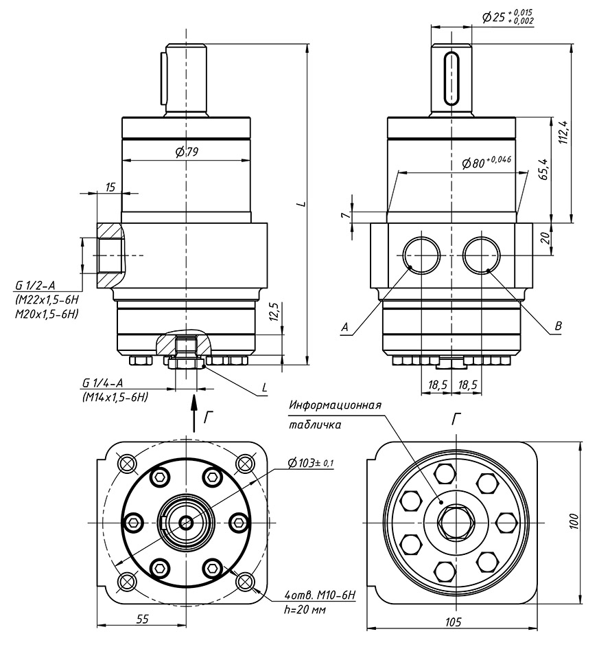
- резьбовыми отверстиями для подвода жидкости G1/2 и дренажным отверстием G1/4 (исполнение не обозначается);
- резьбовыми отверстиями для подвода жидкости М22×1,5 и дренажным М14×15,5 (исполнение −01);
- резьбовыми отверстиями для подвода жидкости М20×1,5 и дренажным М14×1,5 (исполнение −02).
Допускаются другие варианты присоединительных отверстий по согласованию с потребителем.
По диаметру выходного вала:
- с цилиндрическим валом Ф25 мм и призматической шпонкой (исполнение не обозначается);
- с цилиндрическим валом Ф32 мм и призматической шпонкой (в обозначении указывается цифра 32);
- с коническим валом Ф28,56 конусностью 1:10 и призматической шпонкой (в обозначении указывается буква К);
- с коническим валом Ф35 конусностью 1:10 и призматической шпонкой (в обозначении указывается 35К);
- со шлицевым валом 1" SAE 6B (в обозначении указываются буквы SH).
Допускаются другие варианты валов по согласованию с потребителем.
Структура условного обозначения
| 1 | 2 | 3 | 4 | 5 | 6 | 7 | 8 |
|---|---|---|---|---|---|---|---|
| Д10 | . | XXX | . | ХХХ | Х | - | XX |
Где:
- 1 — серия гидромотора (Д10 – героторный с золотниковым распределителем, «колесного» монтажа);
- 2 — разделитель – точка;
- 3 — исполнение вала, (без индекса – цилиндрический Ф25 мм с призматической шпонкой, 32 – цилиндрический Ф32 мм с призматической шпонкой, К – конический Ф28,56 с призматической шпонкой, 35К – конический Ф35 с призматической шпонкой, SH – шлицевый 1” SAE6B);
- 4 — разделитель - точка;
- 5 — рабочий объем, см.куб. (25, 32, 40, 50, 80, 100, 125, 160, 200, 250, 315, 400, 500);
- 6 — способ установки вала-золотника (без индекса – без подшипников, П – на радиальных игольчатых подшипниках);
- 7 — разделитель – тире;
- 8 — исполнение резьбы присоединительных портов (без индекса – G 1/2 линии А и В, G 1/4 дренажная линия; -01 – М22х1,5 линии А и В, М14х1,5 дренажная линия; -02 – М20х1,5 линии А и В, М14х1,5 дренажная линия).
| Наименование показателя | Нормы для исполнения гидромоторов | ||||||||||||
|---|---|---|---|---|---|---|---|---|---|---|---|---|---|
| 25 | 32 | 40 | 50 | 80 | 100 | 125 | 160 | 200 | 250 | 315 | 400 | 500 | |
| Рабочий объем, см3 | |||||||||||||
| 25 | 32 | 40 | 50 | 80 | 100 | 125 | 160 | 200 | 250 | 315 | 400 | 500 | |
| Максимальная частота вращения, об/мин | |||||||||||||
| постоянная | 1580 | 1540 | 1480 | 1200 | 745 | 597 | 481 | 373 | 299 | 239 | 187 | 147 | 118 |
| кратковременная | 1780 | 1700 | 1730 | 1500 | 935 | 747 | 598 | 466 | 373 | 298 | 232 | 186 | 148 |
| Минимальная частота вращения, об/мин | |||||||||||||
| 20 | 15 | 10 | 10 | 10 | 10 | 10 | 10 | 10 | 10 | 10 | 10 | 10 | |
| Максимальный крутящий момент, Нм | |||||||||||||
| постоянный | 32 | 41 | 80 | 116 | 190 | 232 | 292 | 370 | 445 | 571 | 548 | 578 | 558 |
| кратковременный | 46 | 59 | 104 | 141 | 218 | 269 | 357 | 429 | 538 | 671 | 830 | 836 | 764 |
| Максимальная мощность, кВт | |||||||||||||
| постоянная | 4,4 | 5,7 | 8,3 | 10,0 | 10,1 | 10,3 | 9,9 | 9,9 | 9,9 | 7,4 | 5,6 | 4,5 | 3,4 |
| кратковременная | 6,0 | 7,7 | 11,5 | 12,0 | 12,3 | 12,6 | 11,8 | 11,9 | 11,8 | 11,8 | 8,9 | 7,7 | 7,1 |
| Максимальный перепад давления на входе и выходе, МПа | |||||||||||||
| постоянный | 10,0 | 10,0 | 12,0 | 14,0 | 14,0 | 14,0 | 14,0 | 14,0 | 14,0 | 11,0 | 9,0 | 7,0 | 6,0 |
| кратковременный | 14,0 | 14,0 | 15,5 | 17,5 | 17,5 | 17,5 | 17,5 | 17,5 | 17,5 | 17,5 | 14,0 | 11,5 | 9,0 |
| Максимальный расход, л/мин | |||||||||||||
| постоянный | 40 | 50 | 60 | 60 | 60 | 60 | 60 | 60 | 60 | 60 | 60 | 60 | 60 |
| кратковременный | 45 | 55 | 70 | 70 | 70 | 70 | 70 | 70 | 70 | 70 | 70 | 70 | 70 |
| Максимальное давление на входе, МПа | |||||||||||||
| постоянное | 17,5 | 17,5 | 17,5 | 17,5 | 17,5 | 17,5 | 17,5 | 17,5 | 17,5 | 17,5 | 17,5 | 17,5 | 14,0 |
| кратковременное | 20,0 | 20,0 | 20,0 | 20,0 | 20,0 | 20,0 | 20,0 | 20,0 | 20,0 | 20,0 | 20,0 | 20,0 | 17,5 |
| Масса, кг | |||||||||||||
| 5,3 | 5,3 | 5,4 | 5,5 | 5,6 | 5,8 | 5,9 | 6,1 | 6,3 | 6,5 | 6,8 | 7,2 | 8,6 | |
| Габаритные размеры, мм | |||||||||||||
| длина | 189,4 | 199,4 | 191,9 | 190,9 | 194,9 | 197,4 | 200,9 | 205,4 | 210,9 | 217,4 | 226,9 | 237,4 | 250,9 |
| ширина | 100 | 100 | 100 | 100 | 100 | 100 | 100 | 100 | 100 | 100 | 100 | 100 | 100 |
| высота | 105 | 105 | 105 | 105 | 105 | 105 | 105 | 105 | 105 | 105 | 105 | 105 | 105 |
Гидравлическая схема
Габаритные и присоединительные размеры
Соответствие зарубежным аналогам
| Дозатор-плюс | Danfoss | M+S | THOT (ZiHYD) |
|---|---|---|---|
| Д10 | OMPW | MPW | BMPW |
