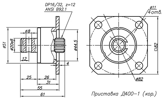
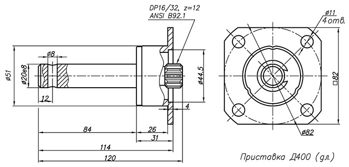
Приставка

Переходные приставки применяют для соединения рулевой колонки с насосом-дозатором в тех случаях, когда выходной вал рулевой колонки имеет присоединение, отличное от стандартного.

Варианты исполнения приставок


Изготавливаем другие виды приставок по требованиям заказчика.